0086-21-33780199 (service time:9:00-21:00)
Piggable Tee

Piggable Tee

Smooth Passage, Minimal Residue

The piggable tee serves as both supply and discharge points within the pigged transfer line.

Piggable Tee

Smooth Passage, Minimal Residue

The piggable tee serves as both supply and discharge points within the pigged transfer line.our piggable tees are designed with a compact tee branch length and an integrated tee branch pig bar.

Piggable Tee for Pipeline Pigging and Corrosion Protection

Piggable Tee, also known as a Barred Tee, is a critical pipe fitting engineered for pipeline pigging in industrial piping systems. Conforming to ASTM A234 WPB standards, this carbon steel fitting ensures corrosion protection and exceptional durability, making it ideal for boiler pipeline protection in oil and gas, petrochemical, and power generation applications. The internal bars, typically 2–4, guide pigs through the main pipeline, preventing entry into the branch while maintaining fluid or gas flow.

The Piggable Tee is manufactured using seamless or welded processes, with materials like ASTM A234 WPB (carbon steel) for general applications or ASTM A234 WP22 (low-alloy steel) for high-temperature environments. The bars are welded or integrally formed to allow 70–80% of the branch flow area, ensuring minimal turbulence and efficient pigging. Available in sizes from 2” to 48” (DN 50–DN 1200) and wall thicknesses such as SCH 40, SCH 80, or XXS, it meets diverse requirements for industrial piping systems. Rigorous testing, including tensile, hydrostatic, and non-destructive tests (radiography or ultrasonic), ensures compliance with ASME B16.9 and MSS SP-75 standards.

Designed for pipeline corrosion protection, the Piggable Tee can be coated with epoxy, galvanizing, or 3LPE to withstand harsh environments, such as those in offshore pipelines or chemical plants. Its robust construction resists wear from abrasive materials and high-pressure conditions, making it a reliable choice for boiler pipeline protection. The fitting supports welding (SMAW, GTAW, or GMAW) with low-carbon fillers, ensuring compatibility with pipelines like ASTM A106 Gr.B or API 5L Gr.B. This enhances its versatility in maintenance-intensive systems.

Compared to standard tees, the Piggable Tee is uniquely suited for pigging operations, reducing downtime and maintenance costs by preventing pig diversion. For highly corrosive environments, stainless steel options like ASTM A403 TP347H offer superior corrosion resistance, while WPB provides a cost-effective solution for general applications. The fitting’s ability to handle high-pressure and abrasive conditions makes it indispensable for industrial piping durability.

The Piggable Tee addresses critical challenges like pipeline wear, corrosion, and maintenance efficiency in industrial systems. Its advanced design and material options ensure long-term performance, safety, and reliability, making it a preferred choice for engineers seeking robust industrial piping and boiler pipeline protection solutions.

The Piggable Tee serves as both supply and discharge points within the pigged transfer line.Our Piggable Tees are designed with a compact tee branch length and an integrated tee branch pig bar. This unique design ensures the seamless passage of the pig through the tee, preventing any obstructions in the tee branch and minimizing the retention of residual product in the dead leg of the tee branch.

The concise length of the tee branch effectively reduces the dead leg in the branch, preventing residual product from flowing back into the line once the pig passes through. This means that any remaining product in the transfer line is minimal, and it gets pushed from the main line to the demister as the pig is directed back to the pig launcher.

Although the tee branch pig bars are not permanently affixed by welding, they ensure the pig's smooth and reliable passage under the tee branch without any hang-ups. Except for sanitary piggable tees, which require specific sanitary design considerations, the tee branch pig bar is an integral part of the main line piping. This guarantees that the pig bar maintains the same curved shape as the pipe, ensuring a seamless transition through the tee.

Piping Tees are used either for dividing main flow in two streams or for combining flow from two streams. Tees are normal or perpendicular to the pipe axis and normally produced by forging and are designed based on ASME B 16.9 or ASME B 16.11.

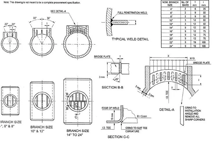
Barred tee is the special type of tee and is designed like adding bar plates inside the branch outlet on a normal tee. In pig launcher or receiver system, barred tee is used to ensure the pig could pass the branch safely.There is no international standard dimension for the barred tee. It is custom-made using the ASME B16.9/ MSS-SP 75 tee as a base with or without the help of Shell DEP 31.40.10.13-Gen or ISO 15590-2 standard.

The bar plates in sufficient quantity, thickness, and adequately spaced are welded internally at the branch to ensure the smoothness for the pig to run through the main pipe, and at the same time not affect the flow direction or getting stuck at the branch outlet. The bars are to be small enough not to restrict the flow but large enough to sustain the pressure of the flow. Sharp edges and burs are removed and the bars are to be grind to the branch curvature inorder to protect the pig sensors from damage. Bar plates are made with same material for weldability. Weld Repairs on Parent metal are prohibited. Standard practice is to avoid welding guide bars directly on the high-stress concentrated areas of the extrusion neck. Bar ends must be machined to fit the branch.

Barred Tee Weight Chart

This table provides the dimensions for Barred Tees, including nominal pipe sizes, outside diameters at bevel, and center-to-end measurements for both run and outlet.

Barred tee drawing
Pipe Fitting Dimensions (ASME B16.9 Standard)
Nominal Pipe Size (NPS) Outside Diameter at Bevel (mm) Center-to-End Run (C) (mm) Center-to-End Outlet (M) (mm)
1/2" x 1/4" 21.3 x 13.7 25 25
3/4" x 3/8" 26.7 x 17.3 29 29
1" x 1/2" 33.4 x 21.3 38 38
1 1/4" x 1" 42.2 x 33.4 48 48
1 1/2" x 1 1/4" 48.3 x 42.2 57 57
2" x 1 1/2" 60.3 x 48.3 64 60
2 1/2" x 2" 73.0 x 60.3 76 70
3" x 2 1/2" 88.9 x 73.0 86 83
3 1/2" x 3" 101.6 x 88.9 95 92
4" x 3 1/2" 114.3 x 101.6 105 102
5" x 4" 141.3 x 114.3 124 117
6" x 5" 168.3 x 141.3 143 137
8" x 6" 219.1 x 168.3 178 168
10" x 8" 273.0 x 219.1 216 203
12" x 10" 323.8 x 273.0 254 241
14" x 12" 355.6 x 323.8 279 270
16" x 14" 406.4 x 355.6 305 305
18" x 16" 457.0 x 406.4 343 330
20" x 18" 508.0 x 457.0 381 368
22" x 20" 559.0 x 508.0 419 406
24" x 22" 610.0 x 559.0 432 432

This table provides the dimensions for Barred Tees, including nominal pipe sizes, outside diameters at bevel, and center-to-end measurements for both run and outlet.

FAQ

A piggable tee, also known as a barred tee, is a specialized fitting used in piping systems to direct fluid flow from the main pipeline to a branch line while preventing pipeline pigs (cleaning or inspection devices) from entering the branch. This ensures safe and efficient pigging operations in oil, gas, and petrochemical systems, supporting pipeline corrosion protection and operational reliability.

Piggable tees offer precise flow control, minimized pressure drop, and efficient space utilization. Their internal bars prevent pig interference, ensuring smooth operation in pipelines. With materials like A234 WPB or 316L stainless steel and coatings like FBE, they provide excellent corrosion resistance, making them ideal for boiler pipeline protection and petrochemical applications.

To choose the right ASME B16.9 piggable tee, consider flow characteristics, material compatibility (e.g., A234 WPB for carbon steel, 316L for corrosive fluids), pressure (≥9.8 MPa), and temperature conditions (up to 450°C for carbon steel, 870°C for stainless steel). Bar spacing and pig size are critical to ensure efficient pigging and pipeline corrosion protection in oil, gas, or petrochemical systems.

A piggable tee requires high-quality bar plates with appropriate thickness (typically 3–10 mm) and spacing (10–50 mm, based on pig size) to ensure smooth pig passage through the main pipeline without interference from the branch. Materials like carbon steel (A234 WPB) or stainless steel (304, 316L) with FBE coatings enhance corrosion resistance and durability in high-pressure piping.

A piggable tee is a butt-welded tee with welded bars, designed per ASME B16.9, MSS-SP 75, Shell DEP 31.40.10.13-Gen, or ISO 15590-2 standards. These codes ensure dimensional accuracy, structural integrity, and compatibility with pigging operations in industrial piping systems.

The primary purpose of an ASME B16.9 piggable tee is to ensure safe passage of pipeline pigs (cleaning or inspection devices) through the main pipeline while allowing fluid flow to a branch line. It prevents pigs from entering the branch, reducing blockages and ensuring pipeline corrosion protection in oil, gas, and petrochemical systems.

You Can Also Search ASME B16.9 Piggable Tees by

A curated list of long-tail keywords for ASME/ANSI B16.9 piggable tees, covering specifications, applications, and material properties, presented in a two-column layout.

Standards and Specifications
  • • ASME B16.9 piggable tee specifications
  • • MSS-SP 75 barred tee standards
  • • ISO 15590-2 piggable tee requirements
  • • Shell DEP 31.40.10.13-Gen tee design
Applications
  • • Piggable tees for oil and gas pipelines
  • • Barred tees for petrochemical pigging
  • • Piggable tees for offshore platforms
  • • ASME B16.9 tees for boiler pipeline protection
Material and Grades
  • • A234 WPB piggable tee material
  • • 316L stainless steel barred tee grades
  • • P265GH piggable tee properties
Manufacturing and Testing
  • • Piggable tee seamless fabrication process
  • • Barred tee non-destructive testing
  • • ASME B16.9 tee welding requirements
  • • Piggable tee corrosion-resistant coatings
Procurement and Suppliers
  • • ASME B16.9 piggable tee supplier
  • • Barred tee distributors
  • • Piggable tee price and availability
Dimensions and Customization
  • • ASME B16.9 piggable tee dimensions
  • • Barred tee bar spacing tolerances
  • • Piggable tee custom sizes

Note: ASME/ANSI B16.9 piggable tees are designed for efficient pigging and corrosion resistance. For detailed specifications, refer to ASME B16.9, MSS-SP 75, or contact a certified supplier.

Materials & Grades

Material Type Standards & Grades Characteristics Applications
Carbon Steel ASTM A234 WPB, A420 WPL6, A105 High strength, cost-effective, good weldability General industrial piping, oil & gas, power generation
Stainless Steel ASTM A403 WP304/304L, WP316/316L, WP321, WP347 Excellent corrosion resistance, hygienic properties Chemical processing, food & beverage, pharmaceutical
Alloy Steel ASTM A234 WP1, WP5, WP9, WP11, WP22, WP91 Enhanced strength, high-temperature resistance High-temperature and high-pressure services
Carbon Steel

Robust & Economical

Stainless Steel

Corrosion Resistant

Alloy Steel

High Performance

Piggable Tee
Install pipe tee

Install pipe tee

Piggable Tee Applications

The basic application of the Piggable Tee is a connector that can be used in the middle of two pipes to allow them to join together.

  • Equal Tee-For Balanced Flow
  • Reducing Tee-For Flow Diversion and Size Adjustment
  • Lateral Tee-For 45° Branch Connections
  • Barred Tee-Used in Pigging Systems
  • Sweep Tee-For Smooth Flow Transitions

Understanding the various pipe tee types allows engineers and contractors to make more informed decisions based on flow requirements, space limits, and material compatibility. Newzel Industries offers a diverse range of pipe tees in several grades, including SS 304, 316, and 321, all fabricated with accuracy to meet your industrial requirements. Contact us today for an estimate or technical assistance in determining the optimal pipe tee type for your project.

Related products

Y tee
Y tee

Y tees ensure corrosion-resistant, smooth fluid fl...

Split Tee
Split Tee

Split tees provide robust, corrosion-resistant bra...

Large Diameter Welding Tee
Large Diameter Welding Tee

Large diameter elbows provide durable, corrosion-r...

Stainless Steel Tee
Stainless Steel Tee

Stainless steel tees are butt-weld pipe fittings d...

Lateral Tee
Lateral Tee

A lateral pipe tee means a pipe fitting which is s...

Reducing Tee
Reducing Tee

Reducing tee, like all pipe tees, is in the shape ...